Parte 1
03/04/2012 16:44
A solução de muitos problemas que concernem estabilidade de um navio envolve um entendimento sobre forças, momentos, efeitos de adição, remoção e locomoção de pesos. Para isto é necessário ter conhecimento de algumas propriedades básicas dos corpos.
O centróide de uma área é localizada no seu centro geométrico. O centro de gravidade de um corpo homogêneo é no seu centro geométrico. Assim, o centro de gravidade de um bloco retangular homogêneo se localiza na metade do seu comprimento, metade de sua largura e metade de sua altura. Vamos considerar agora o efeito do centro de gravidade em um corpo quando a distribuição da massa é modificada:
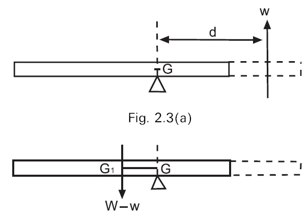
Considere a placa retangular de madeira.

Agora se cortarmos um pedaço da placa de um dos lados, o outro lado, agora sendo de massa maior, irá inclinar. A próxima figura mostra que removendo o pedaço, um momento resultante foi criado no sentido anti-horário em relação a G, pois o centro de gravidade agora está em G1

Com isto, concluimos que quando massa é removida de um corpo, seu centro de gravidade se moverá em direção oposta do CENTRO DE GRAVIDADE DA MASSA REMOVIDA.
G ->G1 é a mudança do centro de gravidade do corpo
d é a distância entre o centro de gravidade da massa removida e o centro de gravidade do corpo
w é a massa removida.
APLICAÇÃO EM NAVIOS -
Nas figuras a seguir, G representa o centro de gravidade do navio, com uma massa w a bordo a uma distância d do centro G. G para G1 representa a mudança no centro de gravidade do navio devido ao descarregamento desta massa.

Nesta figura acima, a massa está verticalmente abaixo de G, e quando ela é descarregada, G se moverá verticalmente para cima, até G1.

Nesta figura, a massa está abaixo e à bombordo de G, e o centro de gravidade do navio se moverá para cima e para boreste.
Adicionar massas terá o efeito inverso, quando uma massa é adicionada ao corpo, o centro de gravidade do corpo se moverá à direção do centro de gravidade da massa adicionada
LOCOMOÇÃO DE PESOS:
Na figura abaixo, G representa o centro de gravidade do navio, com um peso w no lado boreste do porão, e seu centro de gravidade em g1. Se este peso é descarregado, o centro de gravidade do navio se moverá de G para G1, diretamente oposto de g1. Quando este mesmo peso é recolocado no convés principal, com seu centro de gravidade em g2, o centro de gravidade do navio irá de G1 para G2.

EFEITO DE PESOS SUSPENSOS :
Podemos dizer que o centro de gravidade de um corpo é o ponto através do qual a força da gravidade pode ser considerada agindo verticalmente para baixo

Pelas figuras, pode se ver que esteja o navio com banda ou não, o ponto no navio através do qual a força da gravidade pode ser considerada agindo para baixo é g1, que fica implicito na foto acima, no ponto da suspensão. Assim, o centro de gravidade de um peso suspenso é considerado no ponto de suspensão, ou seja, na cabeça do guindaste. É difícil conceber isso, mas isso pode ser provado com experimentos em modelos ou observando navios reais. O ângulo final de banda medido prova que esta suposição é correta.

CONCLUSÕES
1 - O centro de gravidade de um corpo se move em direção do centro de gravidade de qualquer peso adicionado.
2 - O centro de gravidade de um corpo se move em direção oposta do centro de gravidade de qualquer peso removido.
3 - O centro de gravidade de um corpo se move paralelamente à troca de posição do centro de gravidade de qualquer peso locomovido no corpo principal.
4 - Quando um peso for suspenso, seu centro de gravidade está no ponto de suspensão ( equivalente a g1 na última foto ).