Parte 2
03/04/2012 17:08
Hidrostática Básica - "Um corpo imerso em um fluido é sujeito a uma força para cima igual ao peso de fluido deslocado." - Lei de Arquimedes.
De acordo com a segunda lei de Newton, um corpo está em equilíbrio se a soma de forças e momentos atuando nele é zero. Duas forças agem em um corpo flutuante: O peso deste corpo e a força de empuxo. A primeira condição de equilibrio, que as forças devem ser zero, pode ser expressada pela lei de Arquimedes. A segunda condição, a soma dos momentos nula, é conhecida como Lei de Stevin. Outras forças podem agir num navio, como vento, ondas, forças centrífugas em curvas, mas isso é assunto pra um post bem mais avançado.
* FORÇAS :
Com a lei de Arquimedes, podemos concluir que um corpo imerso completamente ou parcialmente, sofre uma perda aparente de massa equivalente à quantidade de massa de fluido que este corpo desloca. Por exemplo, se uma caixa de volume igual a 1 metro cúbico e 4000 quilos de massa é imerso em água doce( densidade igual a 1000kg/m³), ele irá sofrer uma perda aparente de 1000 quilos. Ainda assim esta caixa iria afundar, pois a força vertical para cima não anulou o peso. Se uma outra caixa possuísse 8 metros cúbicos de volume, com a massa de 4000kg, então ela não afundaria. A perda aparente de massa seria igual aos 4000Kg, anulando o peso da caixa, e ela ficaria parcialmente imersa. A próxima figuras ilustra este caso. Vemos que a caixa deslocou os 4 metros cúbicos necessários para que o peso da água deslocada igualasse 4000, deixando ainda 4 metros cúbicos para fora da água.

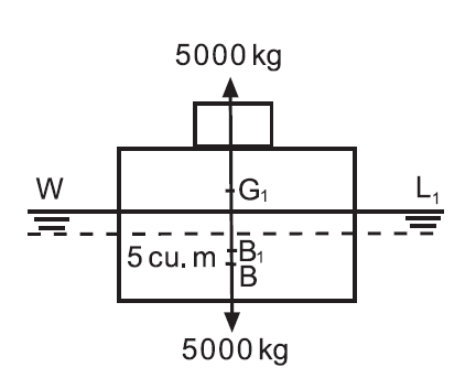
Se colocássemos um peso 1000kg em cima deste corpo, o mesmo se moveria para baixo até que os 5000kg de água fossem deslocados, alcançando o equilíbrio.

CONCLUÍMOS QUE - Um corpo em repouso em água parada, para o mesmo flutuar, deve deslocar um peso equivalente ao seu de água, e o centro de gravidade deve estar verticalmente acima ou abaixo do centro de flutuação. O centro de flutuação é o centro de gravidade do volume submerso, que está mostrado como "B", nas figuras acima.
*MOMENTOS
Apesar do nome desta seção parecer nome de alguns álbuns de fotos em redes sociais, discutiremos aqui a segunda condição de equilíbrio de um corpo flutuante: A soma dos momentos de todas as forças atuantes deve ser zero. Esta condição pode ser vista nas figuras acima, onde o centro de gravidade G e o centro de flutuação B estão na mesma linha vertical. Como as forças atuantes ( Peso e empuxo ) são iguais, a soma de seus momentos então é zero para qualquer ponto de referência.
Vamos agora mover o peso de 1000kg para a direita. Isto irá causar a mudança do centro de gravidade para a direita, como explicado no artigo 1.

Esta situação acima causará mudança na soma dos momentos, que não será mais zero, e consequentemente o corpo irá inclinar no sentido horário, um ângulo qualquer. Um volume submerge à direta, e outro emerge a esquerda. Como resultado o centro de flutuação também se move para a direita, e o corpo flutuante encontrará uma nova posição de equilíbrio quando os pontos G e B estiverem novamente na mesma linha vertical.

ASSIM, a segunda condição de equilíbrio foi satisfeita, o centro de gravidade e flutuação estão de novo na mesma linha vertical.